| штат: | |
|---|---|
UNMS-U130B
UNICOMP
UNMS-U130B -это рентгеновский источник микрофокусированной микрофокусировки с закрытой трубкой 130 кВ с использованием технологии горячего катода, цифрового управления и 100% домашнего сырья. Он обладает преимуществами небольшого размера фокуса, высокого увеличения, стабильного рентгеновского излучения, более высокой выходной мощности и сильной способности проникновения.
Ключевой параметр
Максимум Напряжение трубки: 130 кВ
Максимум Сила трубки: 65 Вт
Мин Размер пятна: ≤7 мкм
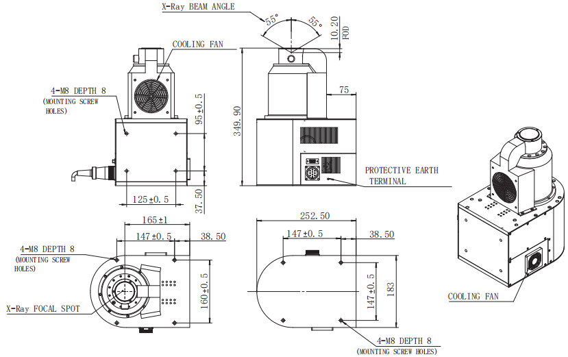
Угол луча: 115 ± 3 °
Приложения
Интегрированный пакет схемы
SMT, PCBA Electronic Manufacturing
Подложка / модуль IGBT
EV Battery
Спецификации
| Диапазон напряжения рабочей трубки | 40-130 кВ |
| Диапазон тока рабочей трубки | 0-500 мкА |
| Максимальная мощность трубки | 65 Вт |
| Входное напряжение (DC) | 25 ± 0,5 В. |
| Энергопотребление | Менее 150 Вт |
| Университетский материал/толщина | Быть/0,51 мм |
| Диаметр окна | 38 мм |
| Лучевой угол | 115 ± 3 ° |
| Целевой материал | Вольфрам |
| Фод | 10 ± 0,5 мм |
| Масса | Примерно 13 кг |
| Safty Interlock | Внешнее короткое замыкание |
| Контрольное соединение | Цифровой контроль |
| Операционный режим | Непрерывный |
Рентгеновские изображения
След
UNMS-U130B -это рентгеновский источник микрофокусированной микрофокусировки с закрытой трубкой 130 кВ с использованием технологии горячего катода, цифрового управления и 100% домашнего сырья. Он обладает преимуществами небольшого размера фокуса, высокого увеличения, стабильного рентгеновского излучения, более высокой выходной мощности и сильной способности проникновения.
Ключевой параметр
Максимум Напряжение трубки: 130 кВ
Максимум Сила трубки: 65 Вт
Мин Размер пятна: ≤7 мкм
Угол луча: 115 ± 3 °
Приложения
Интегрированный пакет схемы
SMT, PCBA Electronic Manufacturing
Подложка / модуль IGBT
EV Battery
Спецификации
| Диапазон напряжения рабочей трубки | 40-130 кВ |
| Диапазон тока рабочей трубки | 0-500 мкА |
| Максимальная мощность трубки | 65 Вт |
| Входное напряжение (DC) | 25 ± 0,5 В. |
| Энергопотребление | Менее 150 Вт |
| Университетский материал/толщина | Быть/0,51 мм |
| Диаметр окна | 38 мм |
| Лучевой угол | 115 ± 3 ° |
| Целевой материал | Вольфрам |
| Фод | 10 ± 0,5 мм |
| Масса | Примерно 13 кг |
| Safty Interlock | Внешнее короткое замыкание |
| Контрольное соединение | Цифровой контроль |
| Операционный режим | Непрерывный |
Рентгеновские изображения
След