Вы здесь: Дом » Продукты » Источник рентгеновского излучения » Рентгеновский источник микрофокуса 180 кВ

Информация о продукте

loading

Рентгеновский источник микрофокуса 180 кВ

UNMS-U180B-это рентгеновский источник в микрофокусе с закрытой трубкой на 180 кВ с использованием технологии горячего катода, цифрового управления и 100% домашнего сырья.
Он имеет преимущества небольшого размера фокуса, высокого увеличения, стабильного рентгеновского излучения, более высокой выходной мощности и сильной способности проникновения. Он очень подходит для применений визуализации с высоким разрешением и высоким проникновением.
штат:
  • UNMS-U180B

  • UNICOMP


UNMS-U180B -это рентгеновский источник в микрофокусе с закрытой трубкой 180 кВ с использованием технологии горячего катода, цифрового контроля и 100% домашнего сырья.


Ключевой параметр

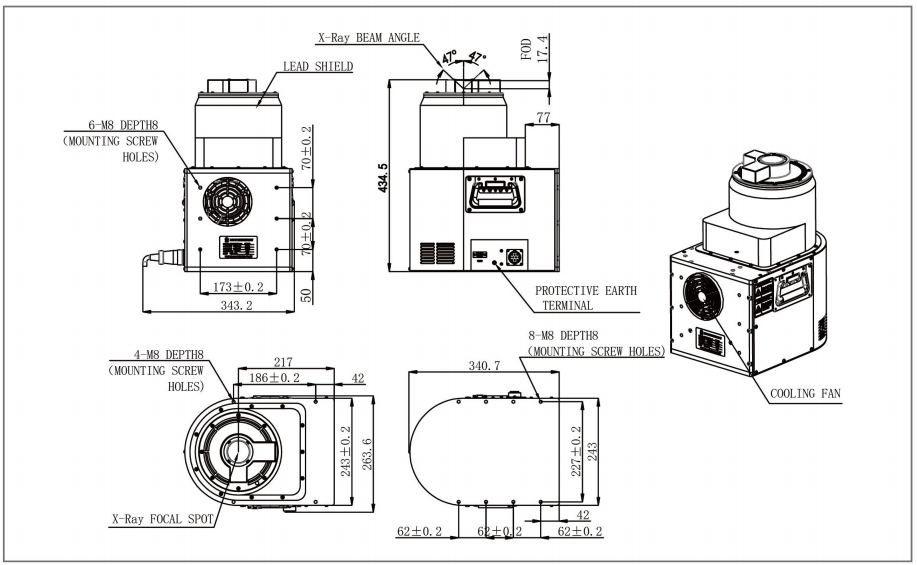
  • Максимум Напряжение трубки: 180 кВ

  • Максимум Сила трубки: 90 Вт

  • Мин Размер пятна: ≤8 мкм

  • Угол луча: 94 ± 3 °



Приложения

  • Интегрированный пакет схемы

  • SMT, PCBA Electronic Manufacturing

  • Подложка / модуль IGBT

  • EV Battery

  • Инспекция металлических деталей

  • Пластиковые детали проверки


Спецификация


Диапазон напряжения рабочей трубки 40-180 кВ
Диапазон тока рабочей трубки 0-500 мкА
Максимальная мощность трубки 90 Вт
Входное напряжение (DC) 48 ± 0,5 В.
Энергопотребление Менее 200 Вт
Университетский материал/толщина Быть/0,50 мм
Диаметр окна 40 ± 0,50 мм
Лучевой угол 94 ± 3 °
Целевой материал Вольфрам
Фод 17,4 ± 0,5 мм
Масса Примерно 34 кг
Safty Interlock Внешнее короткое замыкание
Контрольное соединение Интерфейс: RS-232 (9-контактный сокет)
Операционный режим Непрерывный



Рентгеновские изображения


2


След


22

предыдущий: 
следующий: 
Свяжитесь с нами
ПРОФЕССИОНАЛЬНЫЕ РЕШЕНИЯ ДЛЯ ВАС

Unicomp |Рентген Осмотр

Оставить сообщение
Свяжитесь с нами

БЫСТРЫЕ ССЫЛКИ

СВЯЗАТЬСЯ С НАМИ

+ 86-755-8527-1589(Рабочее время)
info@global-xray.com
 Строительство, Bangkai Science & Технологический индустриальный парк, № 9 Bangkai Road, Hi-Технопарк, Guangming Новый район, Шэньчжэнь, Китай
Zip-код: 518107
авторское право 2021 Unicomp Technology Co., Ltd. Все права защищены. www.unicomp.cn www.unicompxray.com